今天是:2025年12月03日
繁
适老模式
无障碍浏览
公众用户空间
搜索
首页
部门介绍
政府信息公开
互动交流
领导信箱
征集调查
办事服务
专题专栏
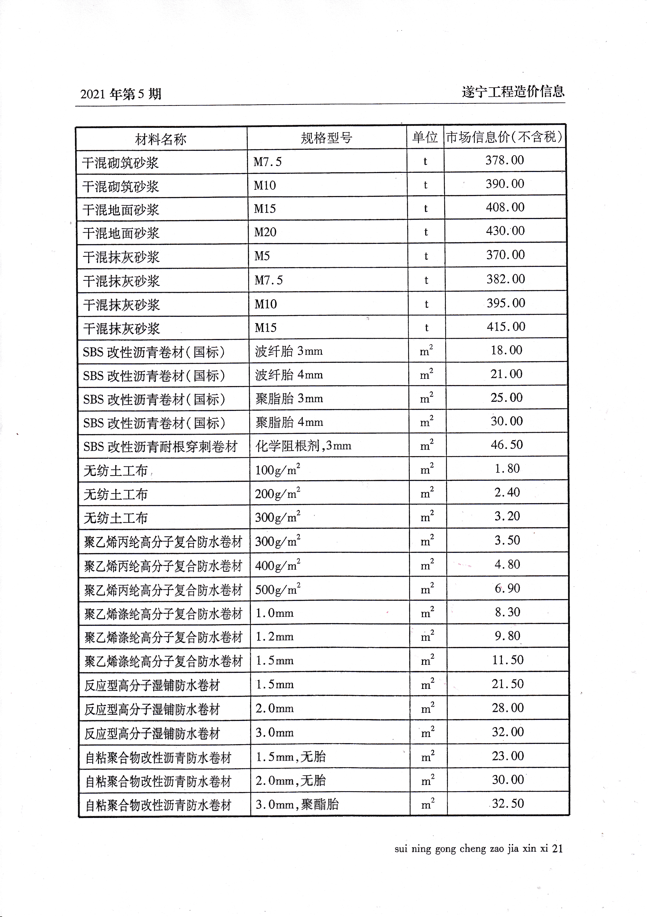
2021年5月建材价格
来源: 遂宁市住建局
栏目:
发布时间:2021-05-31 09:18
阅读:
字体: [
大
中
小
]
打印
分享: